Zasady rysunku technicznego, tolerancji, pasowania i normalizacji

Rysunek techniczny jest jednym z najważniejszych narzędzi komunikacji w świecie inżynierii i produkcji. To graficzna forma przekazywania informacji technicznych, która pozwala konstruktorom, technologom i wykonawcom w pełni zrozumieć kształt, wymiary oraz sposób działania projektowanego elementu czy całego urządzenia. Dzięki określonym normom i zasadom rysunek techniczny staje się uniwersalnym językiem, zrozumiałym na całym świecie.

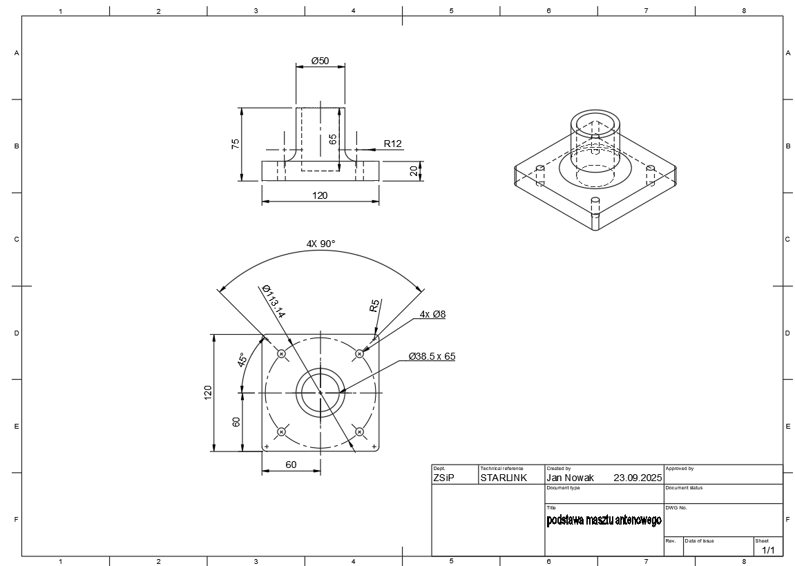
Podstawy rysunku technicznego

Rysunek techniczny jest znormalizowany, co oznacza, że jego tworzenie odbywa się według ściśle określonych przepisów. Obejmuje to m.in.:

  • formaty arkuszy rysunkowych, które muszą spełniać międzynarodowe standardy,

  • grubości i rodzaje linii, służące do rozróżniania krawędzi, osi, przekrojów i wymiarów,

  • groty i podziałki, ułatwiające precyzyjne oznaczanie wymiarów,

  • zasady wymiarowania, pozwalające na jednoznaczne określenie wielkości i położenia elementów.

Dzięki tym zasadom każdy rysunek jednoznacznie przedstawia kształt oraz budowę przedmiotu, a także jego przeznaczenie.

Wymiary, tolerancje i pasowania

Podczas projektowania i produkcji nie zawsze możliwe jest wykonanie elementu z absolutną dokładnością. Dlatego w dokumentacji technicznej stosuje się wymiary nominalne oraz tolerancje, które określają dopuszczalne odchyłki od wartości idealnych.
Z kolei pasowanie oznacza sposób wzajemnego dopasowania dwóch współpracujących ze sobą części, np. wału i otworu. Wyróżnia się różne rodzaje pasowań – luźne, ciasne czy przejściowe – w zależności od wymagań dotyczących montażu i pracy mechanizmu.

Normalizacja w konstrukcji maszyn

Aby rysunki i wymiary były zrozumiałe niezależnie od kraju produkcji, stosuje się normalizację. Obejmuje ona m.in. standardowe wymiary części maszyn, oznaczenia materiałów, a także sposoby przedstawiania schematów. Dzięki normalizacji możliwa jest globalna współpraca inżynierów, wymiana dokumentacji oraz produkcja elementów zamiennych w różnych zakładach przemysłowych.

Was this helpful?

0 / 0