Ćwiczenie: Tworzenie prezentacji w Canvie na temat „Zasady poprawnego wymiarowania rysunkowego”
Cel ćwiczenia:
Celem ćwiczenia jest usystematyzowanie i utrwalenie wiedzy na temat podstawowych zasad wymiarowania w rysunku technicznym, zgodnie z normami PN-EN ISO, poprzez kreatywne opracowanie prezentacji w aplikacji Canva. Ćwiczenie uczy selekcjonowania informacji, wizualnego przedstawiania zasad technicznych oraz rozwija umiejętność komunikacji graficznej.
1. Temat prezentacji:
„Zasady poprawnego wymiarowania rysunkowego”
2. Źródło wiedzy:
- https://wiedza.lalewicz.eu/wymiarowanie-rysunkowe/ (główne źródło) oraz własna wiedza z zajęć i printscreeny z aplikacji Fusion 360.
- Broszura wypożyczona przez nauczyciela.
3. Wymagana struktura i zawartość prezentacji:
Prezentacja powinna zawierać minimum 8 slajdów (ale nie więcej niż 12) i obejmować następujące zagadnienia:
-
Slajd 1 (Tytułowy): Tytuł, Twoje imię i nazwisko, data, ewentualnie grafika związana z rysunkiem technicznym.
-
Slajd 2 (Wprowadzenie): Krótko wyjaśnij, czym jest wymiarowanie i dlaczego jest tak ważne w rysunku technicznym (na podstawie rozdziałów 1 i 7 artykułu).
-
Slajd 3 (Elementy składowe wymiaru): Omów i zilustruj za pomocą prostych kształtów (linii, strzałek) w Canvie: linię wymiarową, linię pomocniczą i liczbę wymiarową. Opisz krótko ich cechy (rozdział 2).
-
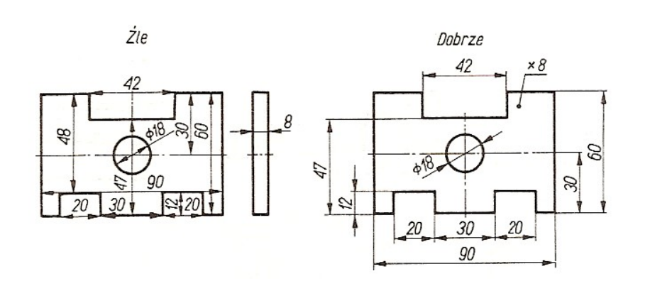
Slajd 4 (Złote zasady wymiarowania cz. 1): Przedstaw 3-4 wybrane, najważniejsze zasady ogólne z rozdziału 3. Użyj pary „dobra praktyka vs. zła praktyka” (np. „Nie powtarzamy wymiarów” zilustruj rysunkiem, gdzie ten sam wymiar jest podany raz i drugi, gdzie jest powtórzony błędnie).
-
Slajd 5 (Złote zasady wymiarowania cz. 2): Kontynuacja – przedstaw kolejne 2-3 zasady z rozdziału 3, również z zastosowaniem wizualnych przykładów „dobrze/źle” (np. umieszczanie wymiarów na zewnątrz rzutu).
-
Slajd 6 (Rodzaje wymiarów): Stwórz przejrzystą tabelkę lub grafikę, która przedstawia i krótko wyjaśnia: wymiary liniowe, średnice/ promienie, wymiary kątowe (na podstawie rozdziałów 4.1, 4.2, 4.3). Pamiętaj o symbolach (⌀, R, °).
-
Slajd 7 (Wymiarowanie szczegółowe): Pokaż na jednym slajdzie, jak prawidłowo zwymiarować otwór i fazowanie (rozdział 5.1 i 5.3). Użyj przykładowego rysunku i opisu (np. „⌀10 ⌴20” dla otworu nieprzelotowego i „C2” dla fazy).
-
Slajd 8 (Podsumowanie i najczęstsze błędy): Wypisz 3-4 najczęstsze błędy z rozdziału 6. Możesz je przedstawić w formie listy „Czego unikać?” lub krótkiego quizu.
4. Wytyczne techniczne i estetyczne:
-
Platforma: Canva – logowanie przez ZPE.
-
Format: 16:9 (poziomy).
-
Styl: Spójna, czytelna kolorystyka (jasne tło, ciemny tekst). Unikaj zbyt wielu kolorów, które mogą rozpraszać.
-
Grafiki: Wykorzystaj proste narzędzia graficzne Canvy (kształty, linie, strzałki) do tworzenia własnych ilustracji zasad. Możesz też wstawić zdjęcie zeskanowanego ręcznego rysunku, ale zachowaj jego czytelność.
-
Tekst: Używaj zwięzłych, punktowych notatek – unikaj długich bloków tekstu.
6. Uwagi końcowe
- Udostępnij prezentację nauczycielowi: n259603211673@zpe.gov.pl
Was this helpful?
0 / 0